Haskel 85291-HAA31-4.5 Air Amplifier System
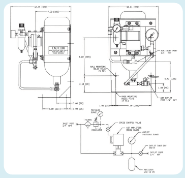
THIS AIR AMPLIFIER INCLUDES THE OPTIONAL “85291” MINI-SYSTEM WITH RECEIVER AND AIR CONTROLS MODIFICATION.
Features & Benefits:
- Long seal life and easy maintenance
- No heat, flame or spark risk
- Wide range of models, controls and options
- No air line lubrication required, eliminating oily exhaust
- Infinitely variable outlet pressure and flow capability
- Wide range of standard and custom systems
- Control of maximum pressure by means of inexpensive air drive pressure regulators
Technical Data:
- Air Drive Size: 2.87 in
- 1st Stage Ratio: 4.5:1
- 2nd Stage Ratio: N/A
- Min Gas supply pressure: 40 psi
- Max Gas supply pressure: 125 psi
- Max rated outlet pressure: 600 psi
- Static outlet stall pressure formula: 4.5 Pa (Pa = air drive pressure, Ps = GAS supply pressure)
- Min AIR drive pressure: 40 psi
- Max AIR drive pressure: 125 psi
Physical Characteristics:
- Unit weight: 5 lbs.
- Displacement / cycle: 1.35 cu. in.
- Max cycles: 325/min.
- GAS inlet/outlet connections: 3/8″ FNPT
- AIR drive inlet port: 1/4″ FNPT
Haskel 85291-HAA31-4.5 Air Amplifier Repair kit information:
- Boosting section seal kit P/N: 85790-4.5
- Air drive section seal kit P/N: 85264
- Air valve seal kit P/N: N/A
- Optional tools: None.
- Notes: Only one kit required: each kit contains all of the necessary seals for the Air Drive & Gas Section or Air Drive & Air Valve.
Additional Optional Modifications:
- 50341: Low permeability seals for CO2 gas service
- 82500: ATEX modification
To add any modifications to this air amplifier or for assistance in selecting the right air amplifier for your application, please contact our Sales Department for assistance.
Product Catalog: Air Amplifier Catalog










