Haskel 80539 Oxygen Booster System
NOTE: this system uses a version of the model 8AGT-5/30 Gas Booster modified for OXYGEN service.
Features & Benefits:
- Plumbed for inert gases in single arrangements
- Supplied with a range of controls: air controls, air pilot switches (optional) for automated stop/start control, relief device, pressure isolation and vent valves
- All components are mounted and plumbed in an open stainless steel frame with a sloped front panel
- Safety relief devices are standard on all gas booster systems for maximum operational safety
- Allows 90 to 95% use of cylinder gas to maintain process pressure when cylinder pressure drops
- Can charge a receiver to even higher pressure level, thus storing a volume of gas for rapid release
Applications:
- Gas accumulator charging
- Pressure & leak testing various pressure containing components
- Pressurization of gas cylinders
- Gas transfer, boosting or mixing
Standard System Components:
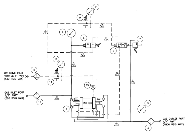
- Air-driven gas booster with external pilot modification to enable use of external air pilot switches to automatically start and stop the booster.
- Adjustable inlet air pilot switch used to stop booster when the gas supply pressure falls below the adjusted minimum set point (optional).
- Adjustable remote-set outlet air pilot switch used to stop the booster when the outlet pressure reaches the adjusted maximum set point (optional).
- Outlet pressure gauge, safe case design, 100mm diameter, panel mounted with bar/psi dual scale. Accuracy +/- 1% FSD.
- Inlet pressure gauge, safe case design, 100mm diameter, panel mounted with bar/psi dual scale. Accuracy +/- 1% FSD.
- Gas filter, 5-micron rated, used to stop any ingested contamination from entering the booster (e.g. while changing out gas bottles).
- Roll bar frame with sloping operator panel into which the booster and controls are mounted. Frames are brushed 316 stainless steel.
- Combined air inlet filter/regulator, with integral pressure gauge and on/off control valve. Air filter in-line with 40-micron filtration to maintain air drive quality. Adjustable air regulator used to set the air drive pressure, adjustable between 0-150 psi. 25mm air pressure gauge used to indicate the air drive pressure. Manual on/off valve and speed control valve, panel mounted, used to adjust the cycling speed at which the booster operates.
- Adjustable Haskel relief valve used to protect the booster and other components from over pressurization, piped to a common vent connection.
- Adjustable remote-set air pilot regulator used to change the set point for the remote set outlet air pilot switch (optional).
- 25mm air pressure gauge, panel mounted, used to indicate the adjustable remote set regulator adjusted pressure.
- Manually-operated Butech outlet isolation valve, panel mounted, piped to a common vent connection.
- Manually-operated Butech outlet pressure vent valve, panel mounted, piped to a common vent connection.
- Interstage cooler. A Haskel design integral tube and shell cooler used to reduce the boosted gas temperature.
Technical Data:
- Description: 52630 Oxygen Booster System (type 8AGT-5/30 booster)
- Drive Size: 8″
- Stage 1 Ratio: 5:1
- Stage 2 Ratio: 30:1
- Min GAS supply pressure: 25 psi
- Max GAS supply pressure: 1 Pa to 2500 psi
- Max rated GAS outlet pressure: 5000 psi
- Static outlet stall pressure formula: 30 Pa + 6 Ps (Pa = air drive pressure; Ps = gas supply pressure)
- Min AIR drive pressure: 20 psi
- Max AIR drive pressure: 130 psi
- Inter-stage relief valve set pressure: N/R
Sample Performance Characteristics:
- Boost 0.5 SCFM Gas from 20 psi to 1500 psi while using 75 SCFM Air @ 90 psig supply pressure
- Boost 0.9 SCFM Gas from 30 psi to 1800 psi while using 75 SCFM Air @ 90 psig supply pressure
- Boost 0.7 SCFM Gas from 40 psi to 2400 psi while using 75 SCFM Air @ 90 psig supply pressure
Physical Characteristics:
- Displacement / cycle: 35.7 cu. in.
- Max cycles: 50/min.
- GAS inlet/outlet connections: 3/8″ FNPT inlet; 1/4″ FNPT outlet
- AIR drive inlet port: 3/4″ FNPT
Haskel 80539 Oxygen Booster System Repair kit information:
- Gas section seal kit P/N: 52646 & 52648
- Air drive section seal kit P/N: 50168
- Air valve seal kit P/N: 50881
- Check valves seal kit P/N: N/A
- Distance piece kit P/N: N/A
- Optional tools: 28584 (Sleeve removal tool); 17246 (Wrench for piston nut)
- Notes: P/N 50167 & P/N 52603 kits include piston and check valves seals.
To add any modifications to this booster system or for assistance in selecting the right booster system for your application, please contact our Sales Department.
Product Catalog: Gas Booster Systems Brochure
Product Catalog: Gas Booster Catalog








