Haskel 87114 Gas Booster System
Features & Benefits:
- Plumbed for inert gases in single arrangements
- Supplied with a range of controls: air controls, air pilot switches (optional) for automated stop/start control, relief device, pressure isolation and vent valves
- All components are mounted and plumbed in an open stainless steel frame with a sloped front panel
- Safety relief devices are standard on all gas booster systems for maximum operational safety
- Allows 90 to 95% use of cylinder gas to maintain process pressure when cylinder pressure drops
- Can charge a receiver to even higher pressure level, thus storing a volume of gas for rapid release
Applications:
- Gas accumulator charging
- Pressure & leak testing various pressure containing components
- Pressurization of gas cylinders
- Gas transfer, boosting or mixing
Standard System Components:
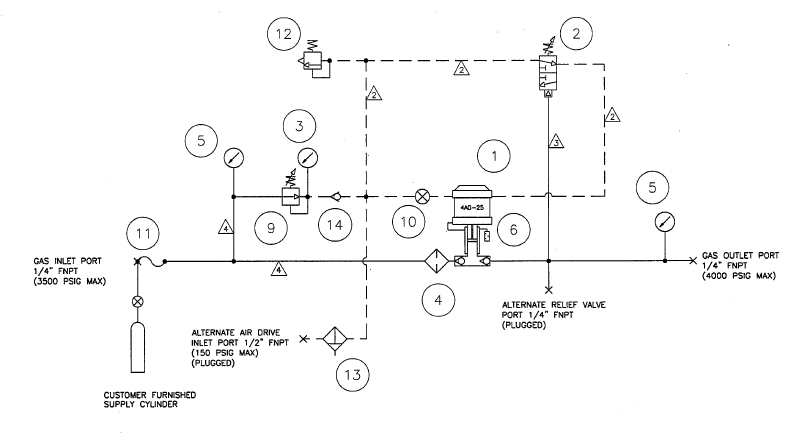
- Air-driven gas booster with external pilot modification to enable use of external air pilot switches to automatically start and stop the booster.
- Air pilot switch, NO, set @ 3000 psi max.
- Inlet air pressure gauge, 0-160 psig.
- Gas filter, 5-micron rated, used to stop any ingested contamination from entering the booster (e.g. while changing out gas bottles).
- Inlet & Outlet pressure gauges, 0-5000 psig, safe case design, 100mm diameter, panel mounted with bar/psi dual scale. Accuracy +/- 1% FSD.
- Exhaust muffler.
- Mounting bracket (not shown).
- Mounting bracket bottle holder (not shown).
- Air inlet regulator set at 140 psig.
- Speed control valve.
- Pressure hose, 1/4″ ID x 18″long, 6000 psig.
- Haskel relief valve set at 155 psig; used to protect the booster and other components from over pressurization, piped to a common vent connection.
- Air filter, 40-micron.
- Check valve.

Technical Data:
- Description: 4AG-25 Gas Booster System
- Drive Size: 4″
- Stage 1 Ratio: 25:1
- Stage 2 Ratio: N/A
- Min GAS supply pressure: 25 psi
- Max GAS supply pressure: 4500 psi
- Max rated GAS outlet pressure: 4500 psi
- Static outlet stall pressure formula: 25 Pa (Pa = air drive pressure; Ps = gas supply pressure)
- Min AIR drive pressure: 20 psi
- Max AIR drive pressure: 150 psig
- Inter-stage relief valve set pressure: N/A
Sample Performance Characteristics:
- Boost 0.2 SCFM Gas from 500 psi to 2250 psi while using 2 SCFM Air @ 90 psig supply pressure
- Boost 0.5 SCFM Gas from 1000 psi to 2250 psi while using 2 SCFM Air @ 90 psig supply pressure
- Boost 0.6 SCFM Gas from 1500 psi to 2250 psi while using 2 SCFM Air @ 90 psig supply pressure
Physical Characteristics:
- Displacement / cycle: 1.23 cu. in.
- Max cycles: 60/min.
- GAS inlet/outlet connections: 1/4″ FNPT
- AIR drive inlet port: 1/2″ FNPT
Haskel 87114 Gas Booster System Repair kit information:
- Gas section seal kit P/N: 86903
- Air drive section seal kit P/N: 86797
- Air valve seal kit P/N: N/A
- Check valves seal kit P/N: 86904
- Distance piece kit P/N: N/A
- Optional tools: 28584 (Sleeve removal tool)
- Notes: P/N 86903 kit includes piston seals only. P/N 86904 kit includes check valve seals only.
To add any modifications to this booster system or for assistance in selecting the right booster system for your application, please contact our Sales Department.
Product Catalog: Gas Booster Systems Brochure
Product Catalog: Gas Booster Catalog







